Reserverelais

DB0ZU Reserverelais: Technik


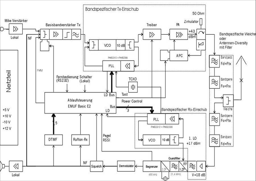
Blockschaltbild für das Reserverelais


Das Relais mit den austauschbaren 2 m- und 70 cm-Einschüben


Das Reserverelais (70 cm) mit Weiche (darüber) im Rack